์๋์ด๋ ธ ์ฐ๋ ธ๋ฅผ ์ฌ์ฉํ์ฌ ์ค๊ณ๋ฅผ ํ๋ ค๋ฉด ๊ทธ ๋ณด๋์ ๋ํด ์์ธํ ๊ณต๋ถํ ํ์๊ฐ ์๋ค.
์๋์ ์๊ฐ๋ฅผ ํด๋์ํ ๋ ์ฐธ๊ณ ํ๊ธธ ๋ฐ๋๋ค. ์ด๋ ๋์๊ฒ๋ ํด๋นํ๋ค.
์๋์ด๋ ธ ์ฐ๋ ธ๋ก ์์ํ๋ฉด ์ข์ ์ ์ด ๋ค์ํ ์ฐธ๊ณ ์๋ฃ์ ํ์ฅ ๋ณด๋๊ฐ ๋ง๋ค๋ ์ ์ด๋ผ๊ณ ํ์๋ค. ๊ทธ ์ธ์๋ ์ถ์ฒํ๋ ์ด์ ๋ ๋ ์๋ค.
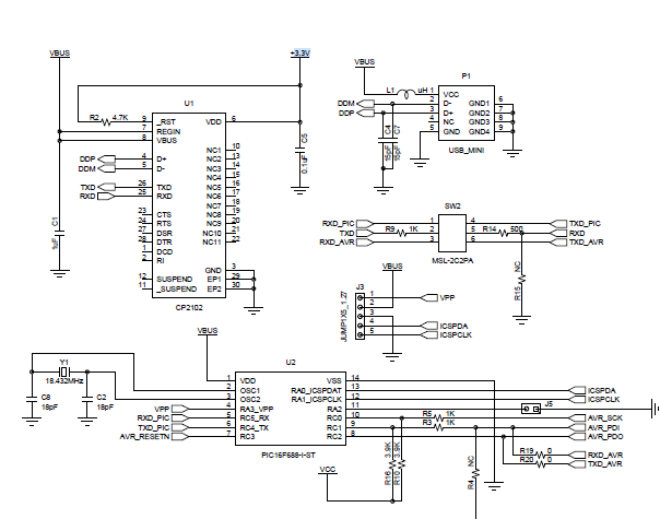
1. UART To Serial (USB) ๊ฐ ์กด์ฌํ๋ค. UART To Serial ๋ชจ๋์ ๊ตณ์ด ์ฌ์ง ์๋๋ผ๋ ์ปดํจํฐ์ ์ฐ๊ฒฐํ์ฌ UART ํต์ ํ ์คํธ๋ฅผ ํด๋ณผ ์ ์๋ค. ์ฒ์ ๊ณต๋ถํ๋ ์ฌ๋๋ค์๊ฒ๋ ํฐ ์ฅ์ ์ด๋ผ๊ณ ์๊ฐํ๋ค.
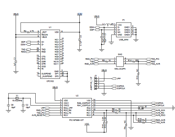
- U1 (CP2102):
- USB-์๋ฆฌ์ผ ๋ณํ๊ธฐ IC๋ก, USB ์ ํธ๋ฅผ TTL ๋ ๋ฒจ์ UART ์ ํธ๋ก ๋ณํํ๋ค.
- ์๋์ด๋ ธ ๋๋ ๋ค๋ฅธ MCU์ PC ๊ฐ์ UART ํต์ ์ ๊ฐ๋ฅํ๊ฒ ํ๋ค.
- U2 (PIC16F688-I/ST):
- Microchip์ 8๋นํธ ๋ง์ดํฌ๋ก์ปจํธ๋กค๋ฌ.
- ์ด ํ๋ก์์ ์ฃผ๋ ์ ์ด ์์ ์ ์ํํ๊ฑฐ๋ ์๋์ด๋ ธ์ UART ํต์ ์ ํตํด ๋ฐ์ดํฐ๋ฅผ ์ฃผ๊ณ ๋ฐ๋๋ค.

2. 5V, 3.3V
์ผ์๋ง๋ค ๋์ํ๋ ์ ์์ด ๋ค๋ฅด๋ค. ์ด๋ค ์ผ์๋ 5V, ์ด๋ค ์ผ์๋ 3.3V. ๊ทผ๋ฐ ์๋์ด๋ ธ๋ ์ด๋ฏธ 5V, 3.3V ์ถ๋ ฅ ์ ์์ ์ฌ์ฉํ ์ ์๋ค. ํธํ๋ค.
๊ตณ์ด ๋จ์ ์ ๋ฝ์๋ฉด UART๊ฐ ํ๋์ด์ง๋ง, ๊ตณ์ด ๋จ์ ์ธ๊ฐ ์ถ๋ค.
์ด์ฐจํผ SPI๋ I2C๋ ํ๋์ฌ๋ ์ถฉ๋ถํ๋ค.
1. ์๋์ด๋ ธ ์ฐ๋ ธ ํ๋งต



2. ํ๋ก๋
3. Atmega328P ๋ฐ์ดํฐ์ํธ

๋ฐ์ดํฐ์ํธ์ ๋ฐฉ๋ํ ๋ด์ฉ์ด ์์ง๋ง ์ฐจ๊ทผ์ฐจ๊ทผ ํ๋์ฉ ๋ณด๋ฉด ๋ ๋ฏํ๋ค.
์ฐ์ , ๊ฐ์ฅ ๋จผ์ ํด๋ณผ ๊ฒ์ ์ค์์น์ LED์ด๋ค.
๋ฐ์ดํฐ์ํธ์ ํจ๊ป ํ๋์ฉ ๋ด๋ณด๋ฉด ์ถฉ๋ถํ ์ดํดํ ์ ์๋ค๊ณ ์๊ฐํ๋ค.
'๐ฆพAVR' ์นดํ ๊ณ ๋ฆฌ์ ๋ค๋ฅธ ๊ธ
| 5. ์๋์ด๋ ธ ์ฐ๋ ธ Atmega328P ํ์ด๋จธ๋ก 1์ด ๋ง๋ค๊ธฐ. (2) | 2025.01.30 |
|---|---|
| 4. ์๋์ด๋ ธ ์ฐ๋ ธ ATmega328P LED ์ถ๋ ฅํ๊ธฐ (DDR, PORT) (0) | 2025.01.29 |
| 2. ์๋์ด๋ ธ ์๊ฐ & Atmel Studio7 ํ๋ก์ ํธ ์์ฑํ๊ธฐ (0) | 2025.01.27 |
| 1. ์๋ฒ ๋๋ SW ์ทจ์ ์ ๊ด์ฌ ์๋ ์ทจ์ค์์ ์ํ์ฌ. (0) | 2025.01.26 |
| [AVR] ์๋์ด๋ ธ ์ฐ๋ ธ UART ํต์ ํ๊ธฐ (0) | 2023.06.20 |